Topo
x    
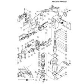
N-1-56 / 442085-4 - JUNTA DO CILINDRO - MARTELO MAKITA - HM 1301 - POS.76 - ORIGINAL
N-1-56 / 442085-4 - JUNTA
DO CILINDRO - MARTELO
MAKITA - HM 1301 - POS.76
- ORIGINAL

R$ 21,00
Quantidade:

Frete e prazo: